Rumah > Produk >
Modul Power Supply yang berlebih
>
IC200MDL650 Modul Kontrol Redundant Power Supply Micro Kontrol Modul

IC200MDL650 Modul Kontrol Redundant Power Supply Micro Kontrol Modul

Rincian produk:
Tempat asal: AMERIKA SERIKAT
Nama merek: GE Fanuc
Nomor model: IC200MDL650
Informasi Rinci
Tempat asal:
AMERIKA SERIKAT
Nama merek:
GE Fanuc
Nomor model:
IC200MDL650
Merek:
GE Fanuc
Model 1:
IC200MDL650
Model 2:
IC200MDL650D
Model 3:
IC200MDL650F
Model 4:
IC200MDL650H
Tempat asal:
Amerika Serikat
Model 5:
IC200MDL650C
Model 6:
IC200MDL650J
Model 7:
IC200MDL650E
Model 8:
IC200MDL650A
Menyoroti:

High Light

Menyoroti:

modul redundansi dioda

,

modul antarmuka analog

Informasi Perdagangan
Kuantitas min Order:
1
Harga:
Dapat dinegosiasikan
Kemasan rincian:
Baru dalam kotak asli
Waktu pengiriman:
2-3 hari kerja
Syarat-syarat pembayaran:
T/T, Western Union
Deskripsi Produk

Modul Catu Daya Cadangan GE Fanuc IC200MDL650 Modul Kontrol Input Micro Controller

 

 

 

 

Karakteristik Modul

Titik IC200MDL640, BXIOIS1624: 16 (2 grup 8)
            IC200MDL650, BXIOID3224: 32 (4 grup 8)
ID Modul IC200MDL640, BXIOIS1624: FFFF8008
                   IC200MDL650, BXIOID3224: 80088008
                   Input pengguna ke logika (optik) dan ground frame: 250VAC
                   kontinu; 1500VAC selama 1 menit
                   Grup ke Grup: 250VAC kontinu; 1500VAC selama 1 menit
                    Isolasi: Titik ke titik: Tidak ada
Indikator LEDSatu LED per titik menunjukkan status ON/OFF titik individual
LED OK menunjukkan daya backplane ada
Arus backplane
konsumsi (output 5V)
IC200MDL640, BXIOIS1624: Maksimum 25mA
IC200MDL650, BXIOID3224: Maksimum 50mA
Catu daya eksternalTidak ada
Penurunan termalIC200MDL640, BXIOIS1624: Tidak ada penurunan

                               IC200MDL650, BXIOID3224: Lihat bagan
Parameter konfigurasi  Waktu respons input

 

 

Karakteristik Input

Tegangan input 0 hingga +30VDC, +24VDC nominal
Tegangan status ON +15 hingga +30VDC
Tegangan status OFF 0 hingga +5VDC
Arus status ON  2,0 hingga 5,5mA
Arus status OFF  0 hingga 0,5mA
Waktu respons ON  Maksimum 0,5ms
Waktu respons OFF

Waktu filter yang dapat dikonfigurasi 0 ms, 1,0ms (default), atau 7,0ms
Impedansi inputMaksimum 10kOhm

 

 

 

 
PRODUK UNGGUL LAINNYA

Motor Yasakawa, Driver SG- Motor Mitsubishi HC-,HA-
Modul Westinghouse 1C-,5X- Emerson VE-,KJ-
Honeywell TC-,TK- Modul GE IC -
Motor Fanuc A0- Pemancar Yokogawa EJA-
 
 
 
Kontak person: Anna
E-mail: wisdomlongkeji@163.com
Ponsel: +0086-13534205279
 
 
 
 
 
 
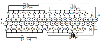
Modul input diskrit IC200MDL640 dan BXIOID1624 menyediakan dua grup 8 input diskrit.
Modul input diskrit IC200MDL650 (ditampilkan di bawah) dan BXIOIX3224 menyediakan empat grup 8 input diskrit.
Input dalam setiap grup dapat berupa input logika positif yang menerima arus dari perangkat input dan mengembalikan arus ke common, atau input logika negatif yang menerima arus dari common dan mengembalikan
arus ke perangkat input. Perangkat input dihubungkan di antara terminal input dan terminal common.
 
IC200MDL650 Modul Kontrol Redundant Power Supply Micro Kontrol Modul 0
 
Indikator LED
LED hijau individual menunjukkan status ON/OFF setiap titik input. LED OK hijau menyala saat daya backplane ada pada modul.
 
 
Pemeriksaan Pra-instalasi
Periksa dengan cermat semua wadah pengiriman dari kerusakan. Jika ada peralatan yang rusak, segera beri tahu layanan pengiriman. Simpan wadah pengiriman yang rusak untuk diperiksa oleh layanan pengiriman. Setelah
membongkar peralatan, catat semua nomor seri. Simpan wadah pengiriman dan bahan kemasan jika perlu untuk mengangkut atau mengirim bagian mana pun dari sistem.
 
 
Instalasi di Lokasi Berbahaya
• PERALATAN YANG DILABELI DENGAN REFERENSI KE KELAS I, GRUP A, B, C & D, DIV. 2 LOKASI BERBAHAYA COCOK UNTUK DIGUNAKAN DI KELAS I, DIVISI 2, GRUP A, B,
C, D ATAU LOKASI TIDAK BERBAHAYA SAJA
• PERINGATAN - BAHAYA LEDAKAN - PENGGANTIAN KOMPONEN DAPAT MEMPENGARUHI KECOCOKAN UNTUK KELAS I, DIVISI 2;
• PERINGATAN - BAHAYA LEDAKAN - SAAT BERADA DI LOKASI BERBAHAYA, MATIKAN DAYA SEBELUM MENGGANTI ATAU MENGHUBUNGKAN MODUL; DAN
• PERINGATAN - BAHAYA LEDAKAN - JANGAN MELEPAS PERALATAN KECUALI DAYA TELAH DIMATIKAN ATAU AREA DIKETAHUI TIDAK BERBAHAYA.
 
 
Penurunan Termal
Tidak diperlukan penurunan untuk modul 16 titik, atau untuk modul 32 titik pada 24VDC dalam orientasi apa pun.
Untuk modul 32 titik pada 30VDC, jumlah titik yang dapat aktif secara bersamaan tergantung pada suhu sekitar, tegangan eksternal, dan orientasi modul dan rel DIN
 
IC200MDL650 Modul Kontrol Redundant Power Supply Micro Kontrol Modul 1
 
 
Riwayat Revisi Produk
IC200MDL640G / BXIOID1624G
IC200MDL650G / BXIOID3224G
Oktober 2008 Sirkuit Daya OK yang Diperbarui
sinyal.
IC200MDL640F / BXIOID1624F
IC200MDL650F / BXIOID3224F
April 2005 Peningkatan mekanisme pengunci

IC200MDL640E
IC200MDL650E
April 2004 Diubah menjadi plastik V0 untuk
rumah modul.
BXIOID1624E
BXIOID3224E
Januari 2004 Diubah menjadi plastik V0 untuk
rumah modul. Persetujuan ATEX
untuk aplikasi Kategori 3 Grup 2.
IC200MDL640C / BXIOID1624C
IC200MDL650D
Januari 2004 Persetujuan ATEX untuk
Aplikasi Kategori 3 Grup 2.
IC200MDL640C / BXIOID1624C
IC200MDL650C / BXIOID3224C
November 1999 Ditambahkan operasi dengan
input logika negatif.
IC200MDL640A / BXIOID1624A
IC200MDL650A / BXIOID3224A
September 1998 Asal
32 input membentuk grup 8. Setiap grup memiliki koneksi umum. Setiap grup dapat dihubungkan untuk input logika positif atau negatif. Catatan: Fungsionalitas logika negatif memerlukan versi modul -C atau lebih tinggi.
 
 
Untuk modul 16 titik, jika diperlukan terminal bussed tambahan, terminal B dapat disediakan menggunakan batang penghubung. Batang penghubung memiliki kapasitas arus maksimum 2 Amp per titik. Lihat Manual Modul I/O VersaMax, GFK-1504 untuk informasi tentang penggunaan batang penghubung.
Koneksi Pengkabelan untuk Carrier dengan Dua Baris Terminal Koneksi Baris B yang ditunjukkan di bawah ini hanya untuk modul 32 titik
 
 
Koneksi Pengkabelan untuk Carrier dengan Tiga Baris Terminal Koneksi Sisi B yang ditunjukkan di bawah ini hanya untuk modul 32 titik
 
IC200MDL650 Modul Kontrol Redundant Power Supply Micro Kontrol Modul 2
 
 
 
IC200MDL650 Modul Kontrol Redundant Power Supply Micro Kontrol Modul 3
 
Penilaian & Ulasan

Peringkat Umum

5.0
Berdasarkan 50 ulasan untuk pemasok ini

Cuplikan Penilaian

Berikut ini adalah distribusi semua peringkat
5 bintang
100%
4 bintang
0%
3 bintang
0%
2 bintang
0%
1 bintang
0%

Semua Ulasan

P
P*s
Chile Dec 17.2025
The items' quality is good. Condition is New and Original.
K
K*c
Philippines Oct 24.2025
We are delighted to hear and satisfied with the product quality and its performance