MITSUBISHI PLC FX2N-1PG-E PLC Programmable Logic Controller module
Tempat Asal: Jepang
Nama Merek: mitsubishi
Nomor Model: FX2N-1PG-E
Nama: Original Mini Mitsubishi PLC FX2N-1PG-E
Kondisi: Baru
Paket: paket asli dengan karton luar
Lead time: 1-2 hari setelah pembayaran Anda diterima
Garansi: 90 hari
Metode pengiriman: DHL & TNT
Biaya pengiriman: 70% off
Pasar: Di seluruh dunia
Tipe 1: Pengontrol Logika yang Diprogram
layanan: layanan satu atap
| Unit CPU | Unit Ekspansi dan Unit I / O Ekspansi | ||
| Metode kontrol | Program yang disimpan | 40 poin I / O | 20 poin I / O |
| Metode kontrol I / O | Pemindaian siklik yang menyegarkan | 24 masukan | 12 masukan |
| Bahasa program | Diagram tangga | 16 keluaran | 8 output |
| Instruksi | Kira-kira 500 | 2 input dan 1 output | 8 input dan 8 output |
| Kapasitas program | 10K / 5K langkah | Masukan termokopel K atau J | Masukan Pt atau JPt |
| Port Ethernet | Unit Power Supply | ||
| Konektor | RJ45 | Tegangan | 100 hingga 240VAC |
| Kecepatan Data | 10 / 100Base T | Rentang tegangan operasi | 85 hingga 264VAC |
| Protokol | Modbus TCP | Waktu penahanan daya | 2 mnt mnt. |
| BISA Port | Keluaran Digital | ||
| Baud Rate | 125K bps | Tipe Keluaran | FET |
| Panjangnya | <500 meter | Frekuensi operasi | 100 Hz |
| Protokol | Protokol khusus | On-state Current, Max | 200mA |
| Input Analog | Masukan Pulsa | ||
| Resolusi | 16-bit | Kisaran Tegangan | 12V-24V DC |
| Jangkauan Input | 4 ~ 20mA | Tegangan Off-state | 8V DC |
| Tipe masukan | Satu berakhir | Input Arus Biasa | 5mA 10VDC |
| Impedansi Masukan | 170Ω | Frekuensi Masukan | 10KHz dengan filter nonaktif |
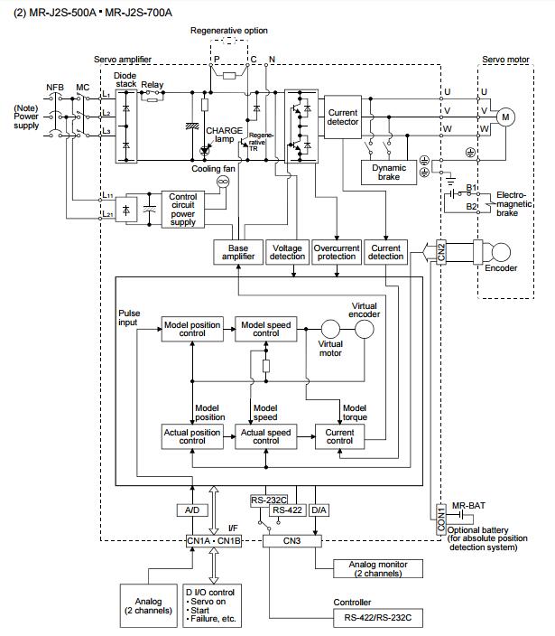
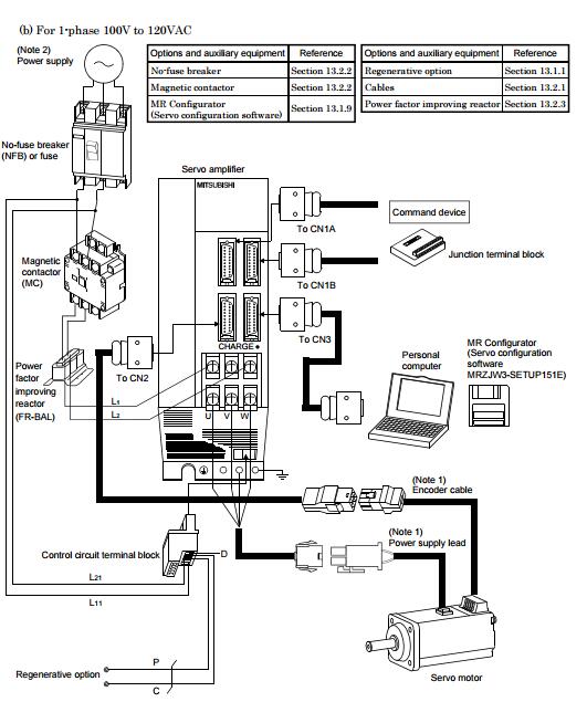
Spesifikasi Motor:
Spesifikasi Drive:
PRODUK SEJENIS:
